Carica la tua immagine di profilo - Foto quadrata 320x320
Si prega di caricare un'immagine di formato (PNG, JPG) con una dimensione massima di 2mb.

ES-TEK SRL

SUBFORNITURA MECCANICA

Trovaci a MECSPE 2026

Padiglione
26
Stand
B30

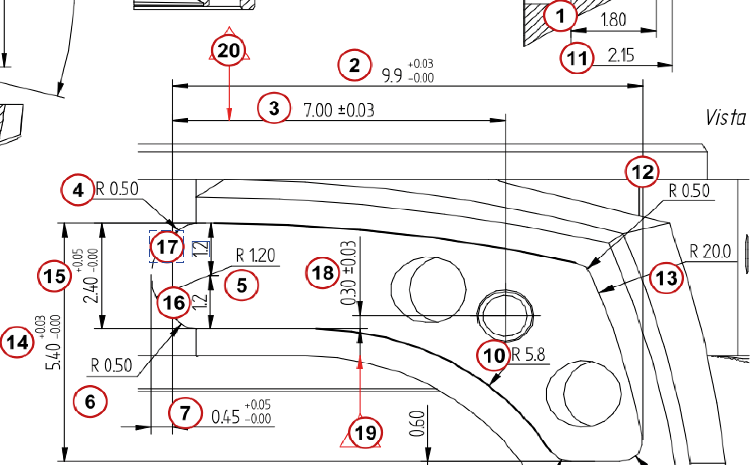
Ideagen Quality Control, software di pallinatura automatica disegni e piani di controllo

STAND B30 - Padiglione 26 (subfornitura meccanica)

Ideagen Quality Control, software di pallinatura automatica disegni e piani di controllo
Vantaggi del prodotto:

Automazione intelligente dei processi: Automatizza la pallinatura dei disegni tecnici, riducendo drasticamente il tempo necessario per preparare piani di ispezione e minimizzando gli errori manuali.

Generazione rapida di rapporti di qualità: Crea report di ispezione standard (e personalizzati) come PPAP e AS9102 con esportazioni in Excel, PDF o formati compatibili con sistemi gestionali.

Integrazione con strumenti di misura: Consente di importare automaticamente risultati di misura da CMM e altri dispositivi, assegnandoli direttamente alle caratteristiche ispezionate

Settori di applicazione:

Industria manifatturiera, automotive, aerospace, meccanica di precisione.

Ideagen Quality Control (ex InspectionXpert) è un software professionale per l’automazione della pallinatura dei disegni tecnici e la generazione di piani di ispezione e rapporti di controllo qualità conformi agli standard industriali come PPAP e AS9102.
Il programma estrae automaticamente quote, tolleranze geometriche (GD&T) e note da disegni in formato PDF/TIFF e CAD (DXF/DWG, STEP, CATIA, SolidWorks, ecc.) e consente di importare facilmente i dati di misura da macchine CMM o strumenti di misura digitali.